設為首頁
|
添加到收藏夾
注冊會員
|
忘記密碼
|
退出
首頁
供應信息
求購信息
產品中心
企業中心
節能資訊
展會展示
專項商機
人物訪談
國際視野
十大節能工程
十四五專欄
-請選擇類別-
產品
供應
求購
企業
行業信息
專項商機
您當前的位置:
首頁
>
我要采購
>
節能通用機械
>
風機
> 供應CF排油煙管道風機
市場
供應CF排油煙管道風機市場
點此瀏覽大圖
點此訂購
發布時間:2011年11月17日
有 效 期:2012年11月19日
公 司:
浙江風神風機製造有限公司
聯係人:
沈
女士
指數
10
公司信息
聯係信息
普通會員
工商注冊信息:
未通過工商認證
證書及榮譽:
0
項
會員評價總數:
0
條
發表評價
查看該公司
企業類型:
私營有限責任公司
經營模式:
生產型
員工人數:
301 - 500 人
內容加載中...
產品相關參數
相關圖片
點擊小圖
瀏覽圖片
詳細說明
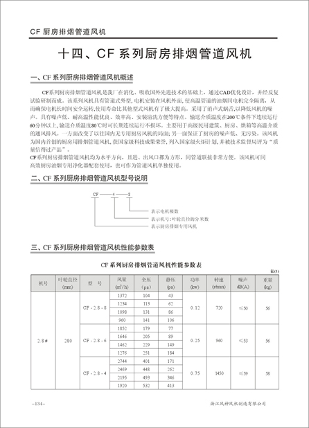
CF排油煙管道風機
該公司其他相關信息
該公司其他信息
該公司供應信息推薦
全部產品目錄
全部供求信息
供應HTF係列消防風機
2011/11/17
供應SDS隧道專用射流風機
2011/11/17
供應SWF高效低噪聲混流風機
2011/11/17
供應BF、DBF節能低噪聲風機箱
2011/11/17
供應DFZ紡織空調風機
2011/11/17
供應DWT-I軸流式屋頂風機
2011/11/18
以上信息由企業自行提供,該企業負責信息內容的真實性、準確性和合法性。對此不承擔任何保證責任。
回到頁首
關於我們
|
會員服務
|
廣告服務
|
網站聲明
|
誠聘英才
|
網站地圖
|
網上有名
|
加入收藏
|
意見反饋
網站服務熱線:
合作電話:
媒體聯係:
QQ 769209918
北京中興聚源科技有限公司
Email:
域名:
ayiab.cn
www.gjjnhb.cn
中文域名:
www.國際節能環保網.com
京ICP080572
京ICP備09007515號-3
京公網安備11010802011511號